3 way non-neutral reboot loop

Good Morning,

I just installed the first of my new mmWave dimmers. My house is old, so most switches are non-neutral. This particular switch box is weird, it has a neutral for the outside light, and not one for the 3 way. If I hook up the new dimmer in a non-neutral way, it works great until the lights get to full power. Once they hit full power, the switch reboots and it loops until I am able to turn off the switch in Zigbee2MQTT. I noticed yesterday that if I set the ramp up speed low enough, it seems to be ok at full power.
As a test, I hooked it up using the neutral from the other switch. The switch works great, and I can have it with no ramp up, but because the AUX switch doesn’t have a neutral, it only works to turn the lights on, but won’t turn them back off.
This switch controls a single chandelier with 7 small B11 Candelabra style bulbs and one standard 60w led bulb.
I’m open to ideas. I hate having to slowly ramp the light on, or set a maximum brightness, but so far I haven’t had any other brainstorms.

Is the neutral in the switch box on the same branch circuit i.e. breaker and the non-neutral light?

If so, and you use it for the switch, then you ought to be able to send it over the 3-wire going to the Aux box so that the Aux will have a neutral. Right now, presumably, you’re sending the hot to the neutral (as required for a non-neutral).

Thinking about it, with a neutral connected to the primary switch, you should have a neutral connected to the Neutral terminal on the Aux, not a hot, as you have now if you are properly wired for the non-neutral. In other words, when you added the neutral to the Inovelli, you should have swapped the hot connected to the Aux to a neutral. That may be why the Aux isn’t working as you’re described when you connected the neutral.

On the other hand, if that neutral is NOT on the same branch circuit i.e. breaker, you should not be using it for the Inovelli. For safety reasons, that’s prohibited by the electrical code.

Hey Bry,
Thanks for the quick reply. It is on the same circuit as the non-neutral, and. what you are saying makes sense. I should have checked that! I’ll give it a try in a few.

Just for kicks and giggles I swapped the mmWave for a new standard dimmer and it didn’t have the same issue. I was able to have full power on that one.

One thing to try for testing as well is to try it first as a non-neutral 2-way. Remove the traveler and other connections to the Aux, temporarily. Factory reset the switch so it’s configured as a 2-way. See if you have the same full power options.

Reducing the full output was suggested in the past here for other switches, so your fix for the non-neutral was a step in the right direction. I’m not sure if it applies to the mmWave, however.

Try the proper wiring first. If you wind up going back to the non-neutral, adding a bypass to the light may help.

That’s how I had it setup prior to getting the new mmWave and Aux switches in. With the 3way aux bypassed using a standard inovelli dimmer I didn’t have any power issues. I’m stilling testing the wiring. So far no luck.

Ok, thx. So what about the mmWave as a 2-way?

mmWave in a 2-way has the same reboot problem. I tried the second mmWave switch in a 2 way configuration with the same results.

Well, I’ve run out of time for today, and my legs are tired of my running up and down the stairs to the circuit breaker every 3 minutes. lol

Here is what I know:

  • The same mmWave switch works on another 3 way switch on the same circuit breaker, same wiring, and same non-neutral setup. It’s powering 3 can lights. I swapped it out for the current Blue dimmer as a test.
  • A standard Blue Dimmer works fine in the problem switch with an inovelli aux in a non-neutral setup.
  • The mmWave has the same issue when functioning as both a 2-way and 3-way in a non-neutral setup but works fine with a neutral. Unfortunately, due to the old style wiring, I have to way for it to function with an aux and neutral. I have a single 12-3 Romex coming into both switch boxes, and no way to change the wiring at the light as it’s at the peak of the house with no room to access it in the attic. For now, I’m using the mmWave on the second switch in the box, and will just use Home Assistant to connect the sensor to the switch I want to control.

I guess there is a difference in the max power draw in a non-neutral setup for the new switches. That’s all I can come up with. Hopefully I won’t face the same issue in the other location I got the mmWave switches for. :crossed_fingers:

Ah, I got it.

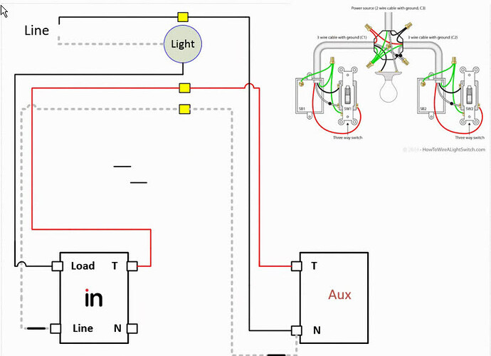
I designed a wiring diagram for that. Let me go find it. That is definitely a non-neutral. You’ll put the Aux in the box where the Line comes in and the Inovelli on the other.

I’ll post that diagram shortly.

1 Like

This should work with stock lighting if it’s wired as most electricians would. Start with the line box and put the Aux there. The Aux gets the hot in a non-neutral. The black on the 3-wire usually carries the hot in, but colors may vary, so adapt accordingly. You’ll use the other two conductors on the 3-wire in the Aux box to send the hot and the traveler to the Inovelli box.

The third conductor in the Inovelli box (not the traveler or the hot from the other box) will be the load.

If the neutral works for you using the neutral in the present Inovelli box, you ought to be able to see how to swap the switches from my drawing and get a neutral over to the Aux, now that you see how this is typically wired.

In the past, others have tried using a same branch circuit neutral for a non-neutral leg, and ultimately weren’t successful. So I’m not inclined to suggest that as a technique, fwiw.

1 Like

Huh, so that’s how mine is wired, but with the switches swapped. My line box is where the Inovelli is, and the neutral I’m not currently using on the non-mmwave switch. I tried every combination except swapping the aux and primary switches. Right now, the standard Blue dimmer and aux are working. I’ll have to try swapping them for kicks and giggles. Not an ideal placement for the mmWave, but at least I’d know if that was a solution.

I actually have three switches currently wired like this, and I thought I had them all with the Inovelli in the Line box and the Aux in the secondary, but now I’m second guessing myself. Time to grab the multimeters again.

And of course, now that you mentioned it.. it make sense for the inovelli to be in the other switch. Since load and line and combined in the aux switch, and the traveler is by it’s self, of course the load box will have power even with the lights off.

1 Like

I don’t see how you can have the Inovelli in the Line box and have it wired correctly with an Aux. If the Inovelli is in the Line box, you have to send the Line, the Traveler and the Load over to the other box. You only have 2 conductors left in the Inovelli box, but you’d need three. (The third conductor is bringing the hot in, so it’s not available.)

If you try to draw that out, unless I’m missing something, you’ll see it’s not feasible.

Ya, I have to agree. It shouldn’t have worked. The really interesting thing is, swapping the aux and smart switches result in the exact same results. The mmWave reboots at full power, and the standard Blue switch works perfectly in load box. I’m going to try and draw this out…for science.

1 Like

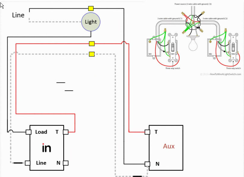
Ok, this is a horrible drawing because I can’t see how things are wired at the switch so this is only the switches.

12/3 Romex comes in:
**
Aux Switch
Black:** Power in. Verified this is the only wire with power.**
White:** I believe it’s called a Switched Hot in the this configuration. It’s only powered because it’s in the same terminal of the Aux as Line in. **
Red:** Traveler

**
Smart Switch
Black:** Load Out to light.**
White:** Powered line from Aux**
Red:** Traveler

What’s crazy to me is, it doesn’t matter if I swap the Smart Switch and Aux, It all functions the same. Inovelli, you make magic switches. With the mmWave in both the Load or Line box, it cuts off above the brightness level of 240ish. The standard Blue switch works in both locations with no issue.

I have a two other Blue 3 way switches around the house, and I swapped one out for the mmWave and it worked fine. It’s the same 12/3 romex configuration in each of the other switches.

To your point Bry, it shouldn’t have worked in the Load box in theory. That was a duh moment for me. That’s what I get for wiring while on conference calls. Maybe I can get to the junction box in the basement and figure out the wiring at the light when I go to install the next one.

1 Like